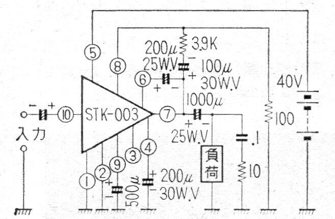
Este es un circuito de amplificador de los años 60 usando el módulo híbrido de 15 W SK003 de Sanyo. El circuito híbrido debe ser alimentado con tensión de 20 a 40 V y montado en un excelente disipador de calor. El módulo viene en cubierta SIL de 10 pinos.




