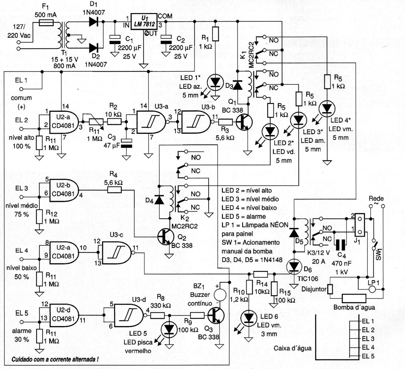
Ese circuito fue encontrado en una publicación de 2006. Utiliza componentes discretos y CMOS que todavía son muy comunes actualmente, pudiendo ser elaborado con facilidad. La fuente debe ser obligatoriamente la indicada con transformador y los electrodos son hilos pelados. El circuito se conecta cuando el agua está en el nivel más bajo y se apaga en el más alto.




