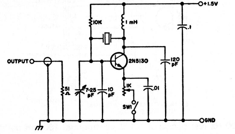
El circuito es de una publicación americana de los años 70, siendo indicado para calibración de receptores. Así, el cristal es de 455 kHz. Se pueden utilizar transistores equivalentes.

 

Generador de Señal Estable con Cristal
Generador de Señal Estable con Cristal | Haga click en la imagen para ampliar |