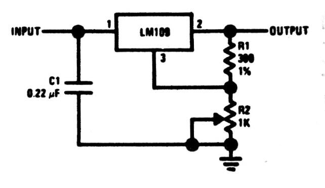
Esta configuración encontrada en otras aplicaciones y artículos de este sitio se basa en un regulador antiguo, poco común actualmente. Sirve de referencia para reparaciones y recuperaciones de equipos.

 

Regulador ajustable
Regulador ajustable | Haga click en la imagen para ampliar |