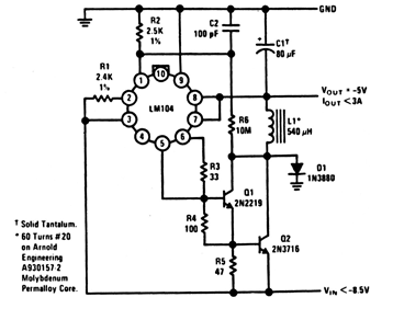
El componente básico de este circuito es poco común actualmente y los transistores pueden ser reemplazados por equivalentes modernos. El circuito es de una documentación técnica de los años 80.

Regulador Llaveado
El componente básico de este circuito es poco común actualmente y los transistores pueden ser reemplazados por equivalentes modernos. El circuito es de una documentación técnica de los años 80.
