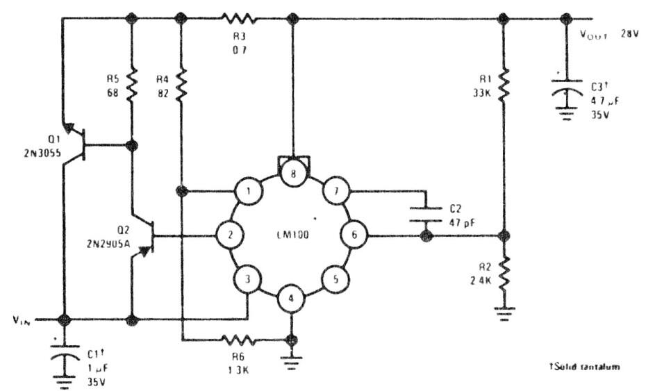
El circuito integrado utilizado en esta aplicación no es común actualmente. El circuito es de un manual antiguo y los transistores usados admite equivalentes. El transistor de mayor potencia debe estar dotado de un disipador de calor.
El circuito integrado utilizado en esta aplicación no es común actualmente. El circuito es de un manual antiguo y los transistores usados admite equivalentes. El transistor de mayor potencia debe estar dotado de un disipador de calor.