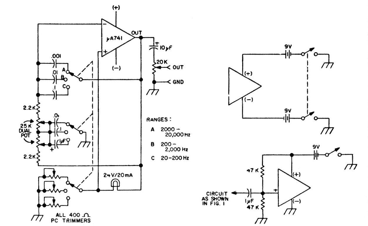
Este circuito de generador de audio de 20 a 20 000 Hz fue encontrado en una publicación americana de los años 80. La alimentación debe ser simétrica de 6 a 12 V y el circuito tiene tres bandas de ajustes. Se dan opciones de alimentación.

 

Generador de Audio
Generador de Audio | Haga click en la imagen para ampliar |