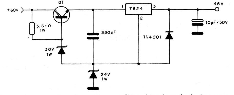
Este regulador proporciona una tensión de salida regulada de 48 V bajo corriente de hasta 1 A a partir de una fuente de 60 V. La base es el circuito integrado 7824 y el transistor es un Darlington de potencia NPN con tensión colector-emisor máxima de por menos 60 V. Los valores diodos zener son de 1 W y sus valores se pueden cambiar en función de la tensión deseada. El transistor de potencia debe montarse en un buen radiador de calor.




