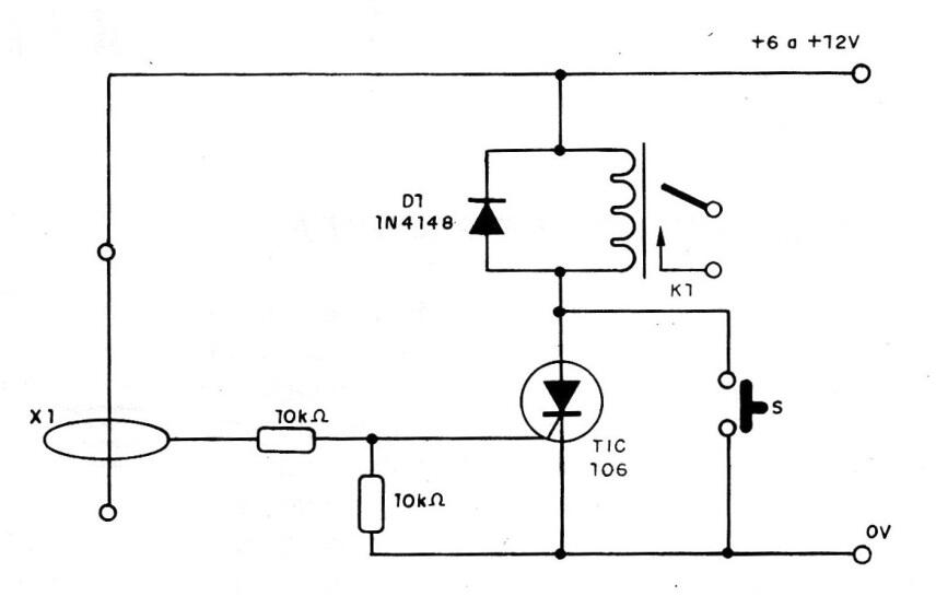
Un anillo y un péndulo de hilos descascados forman el sensor de esta alarma. Una vez disparado, para rearmar, es necesario presionar S por un momento. El relé es del tipo sensible de 6 o 12 V, según la alimentación, recordando que en el SCR existe una caída de 2 V aproximadamente, en plena conducción. Así, para el caso de relé de 6 V, será interesante alimentar el circuito con al menos 8 V. El SCR no necesita de radiador de calor.




