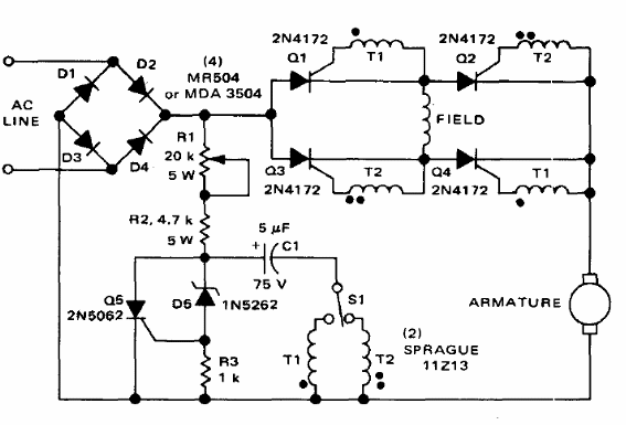
Este control de motor con SCRs es de una documentación de Motorola de 1976. Los SCRs deben tener corrientes de acuerdo con el motor controlado, así como los diodos del puente. Los transformadores de disparo tienen una relación de espiras de 1 a 1.

Control de motor Tipo Serie



