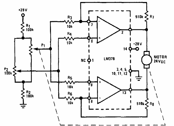
Este circuito es del Audio Handbook de National Semiconductor, pues utiliza un operacional de potencia de audio para controlar un motor DC. El circuito controla la velocidad a través de un potenciómetro teniendo como referencia un potenciómetro sensor en el motor. La corriente máxima del motor es de 700 mA.

Control de velocidad DC Proporcional



