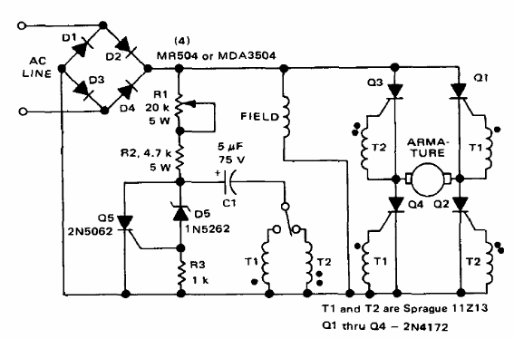
Este circuito es de una documentación de Motorola sobre dispositivos de potencia de 1976. Los SCRs tienen corriente de acuerdo con el motor controlado, así como los diodos del puente. Los transformadores son del tipo pulso con relación de espiras de 1 a 1. El SCR de disparo Q5 puede ser el TIC106.

Control de velocidad para motor tipo Shunt



