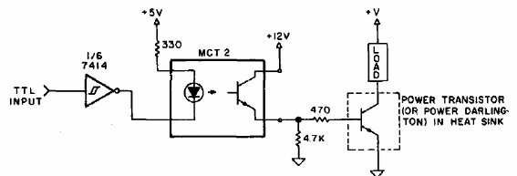
Con un acoplador óptico y un transistor de potencia, que puede ser el BD135, es posible controlar cargas hasta 500 mA a partir de pulsos TTL. El circuito tiene un sector alimentado por 5 V (TTL) y una etapa de potencia por tensión que depende de la carga. El circuito se puede utilizar como shield para microcontroladores.

Control de Potencia TTL



