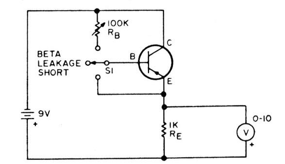
La finalidad de este circuito es posibilitar la prueba de transistores usando un multímetro común. Con el potenciómetro en el circuito se mide la ganancia y con la base abierta se pueden verificar fugas o corto. El circuito es para transistores NPN.

Adaptador para prueba de transistores



