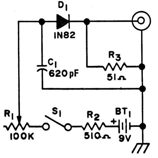
Este circuito utiliza un diodo para generar ruido blanco para diversas aplicaciones. Una de ellas involucra el análisis de circuitos de transmisión y de audio. El circuito es de una documentación americana antigua. El diodo puede ser cualquiera de uso general.

Generador de Ruido



