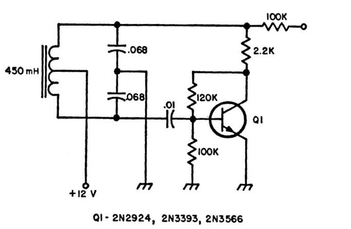
En este circuito de una publicación de los años 70, los datos de la bobina para oscilar en la frecuencia deseada no se suministran. Por supuesto, el lector debe calcularlo. El transistor puede ser de uso general y la alimentación con tensiones de 6 a 12 V.




