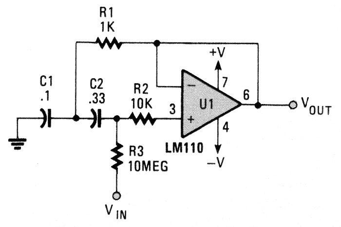
Este circuito se encuentra en una Poptronics de la década de los 90. Los componentes se pueden cambiar a la frecuencia deseada. La fuente de alimentación debe ser simétrica.
La solución aislada de la red de energía de la figura 1 permite obtener una señal de 60 Hz (o 50...
Este circuito enciende automáticamente una lámpara cuando se oscurece y se puede usar tanto en la red...
Con este simple circuito regulador de corriente se puede hacer que el brillo de LEDs se mantenga...