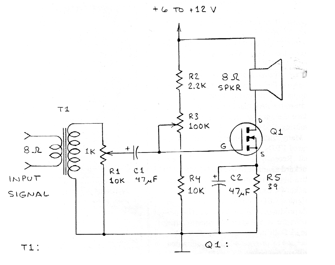
Este circuito fue obtenido en una revista americana Modern Electronics de 1990, pero todavía es actual y útil. Utiliza un MOSFET para aumentar una señal de audio de una salida de auriculares, un MP3, una radio u otro tipo de fuente de señal. El transformador se puede obtener en una radio transistor antigua fuera de uso y la alimentación debe realizarse con fuente de 6 a 12 V. El MOSFET de potencia puede ser prácticamente de cualquier tipo.




