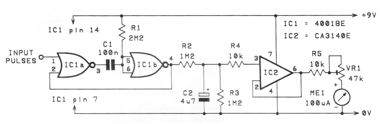
Este circuito fue encontrado en una revista de 1987. Mide la tasa de pulsos producida por un monitor cardiaco, presentando una indicación en un instrumento de bobina móvil. El circuito se puede cambiar a otras mediciones analógicas de pulsos. La alimentación, en realidad, se puede hacer con tensiones de 6 a 12 V.




