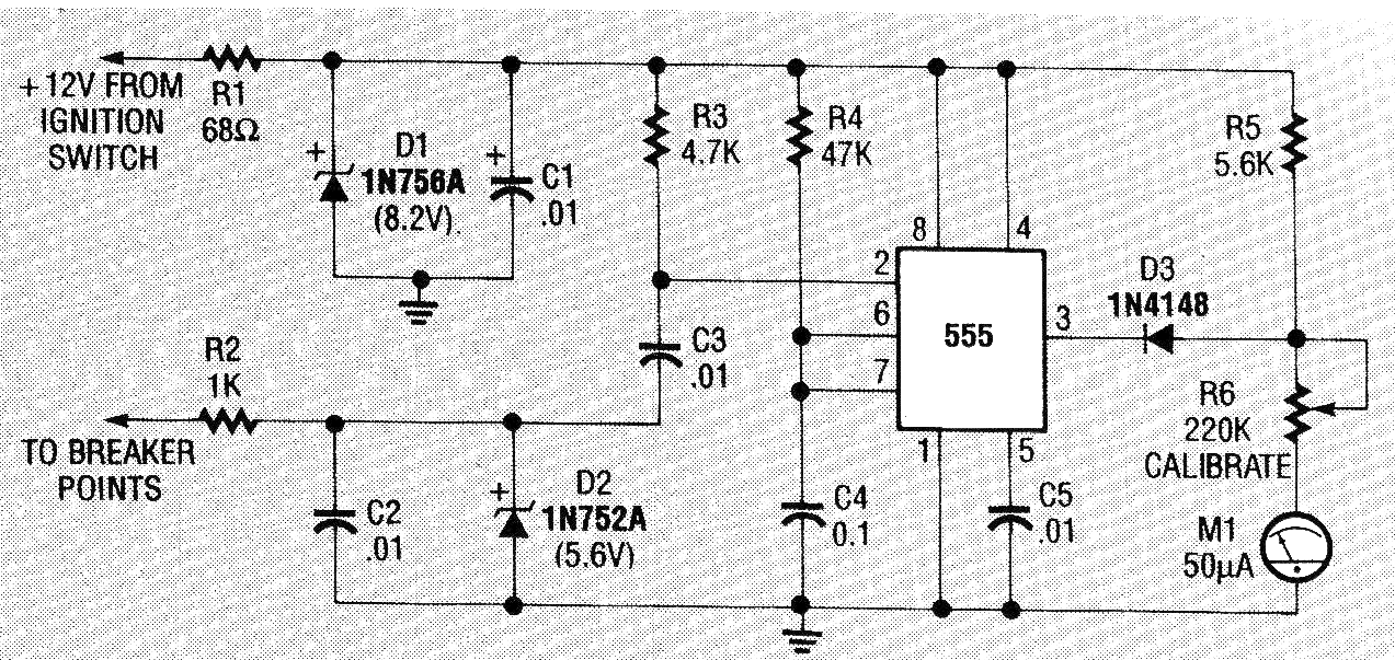
Este circuito es de una Electronics Now, americana de diciembre de 1992. La revista ya no existe, pero el circuito se puede montar fácilmente, ya que todos los componentes son comunes. El circuito indica la rotación de motores de automóviles antiguos, que todavía utilizan platinado, ya que utiliza los pulsos generados por este componente para la medida de la RPM.




