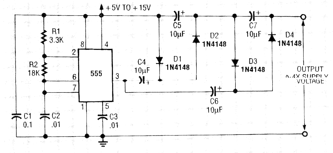
Este circuito es de una Electronics Now, americana de diciembre de 1992. La revista ya no existe, pero el circuito se puede montar fácilmente, ya que todos los componentes son comunes. El circuito genera una tensión continua cuyo valor es el cuádruple de la tensión con que se alimenta. La corriente de salida es baja.




