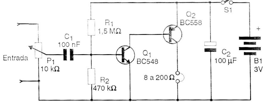
Este circuito consiste en un buen amplificador para auricular de baja impedancia, pudiendo servir como etapa de salida para radios experimentales, intercomunicadores, etc. El circuito puede ser alimentado por tensiones de 3 a 6 V y el resistorR2 debe ser obtenido experimentalmente en el rango de 47k a 470 k para obtener la mejor ganancia con la menor distorsión. Los pequeños altavoces también se pueden utilizar en la salida.




