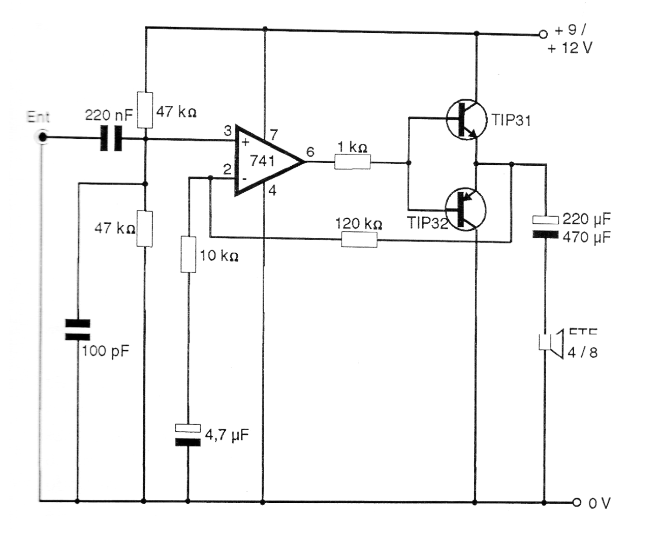
Agregando un paso de salida con transistores complementarios a un amplificador operacional se puede obtener una salida de algunos vatios con excelente calidad de sonido. Los transistores deben estar dotados de disipadores de calor y la ganancia depende de la resistencia de 120k ohms que puede cambiar. La fuente debe proporcionar una corriente de al menos 1 A.




