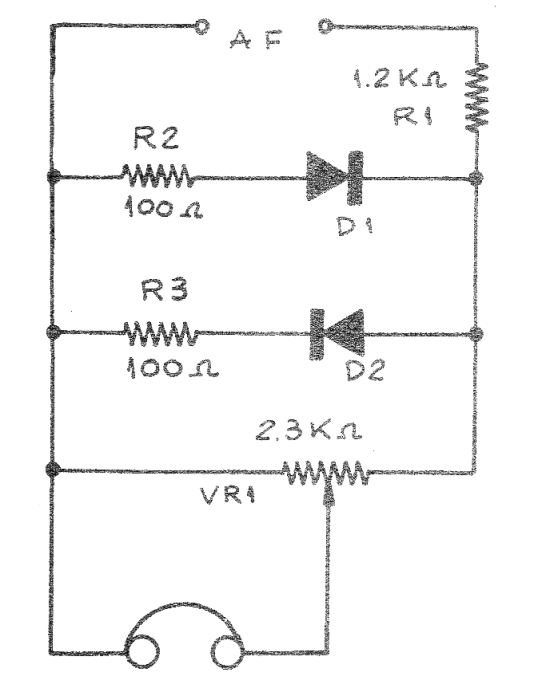
Este simple filtro para auriculares de baja y media impedancia fue obtenido en una publicación argentina de los años 1970. Los resistores pueden ser alterados conforme la impedancia del auricular y los diodos pueden ser los 1N4002 o 1N4007. La impedancia del auricular puede oscilar entre 8 y 600 ohms típicamente. El circuito filtra los estallidos y transitorios que son desagradables cuando se escuchan señales débiles.




