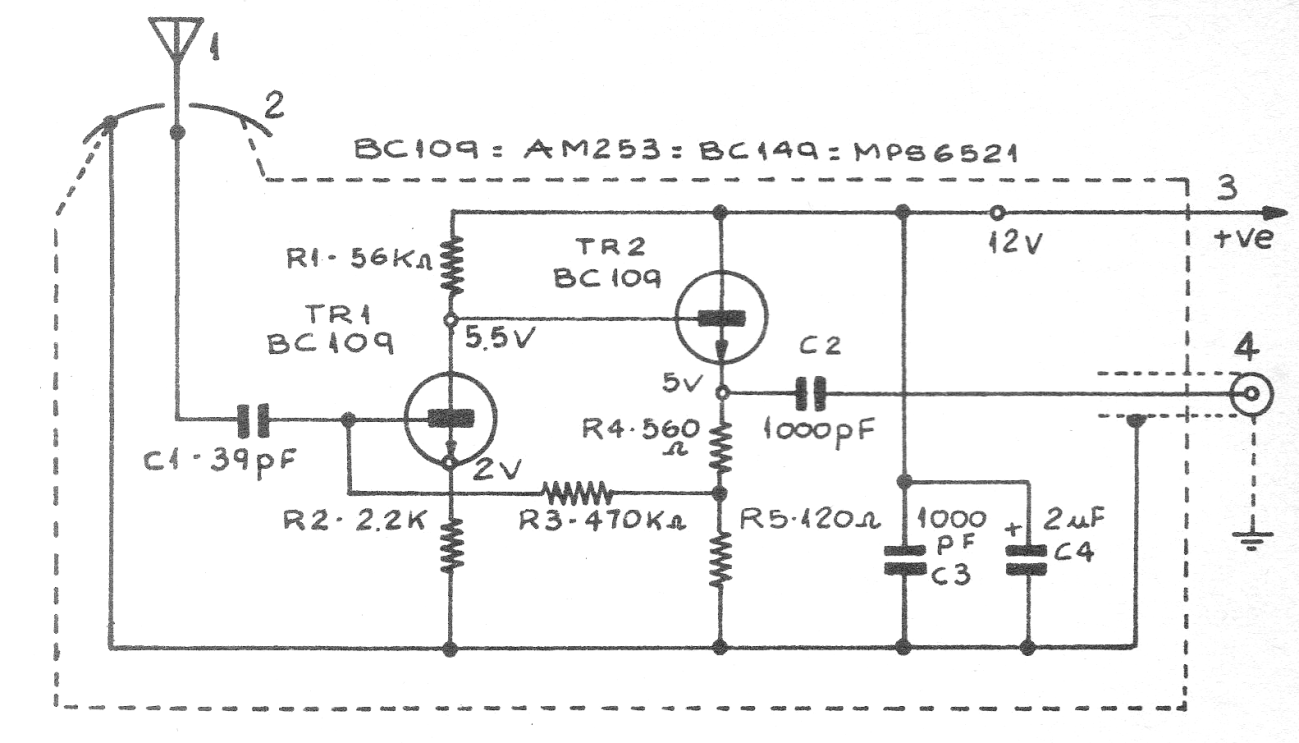
Este reforzador, originalmente proyectado para radios AM en coche, fue encontrado en una revista argentina de los años 1970. Se puede montar fácilmente con transistores BC548 y es intercalado entre la antena y la entrada de antena de la radio. Su alimentación de 12 V viene del propio coche y su consumo es muy bajo.




