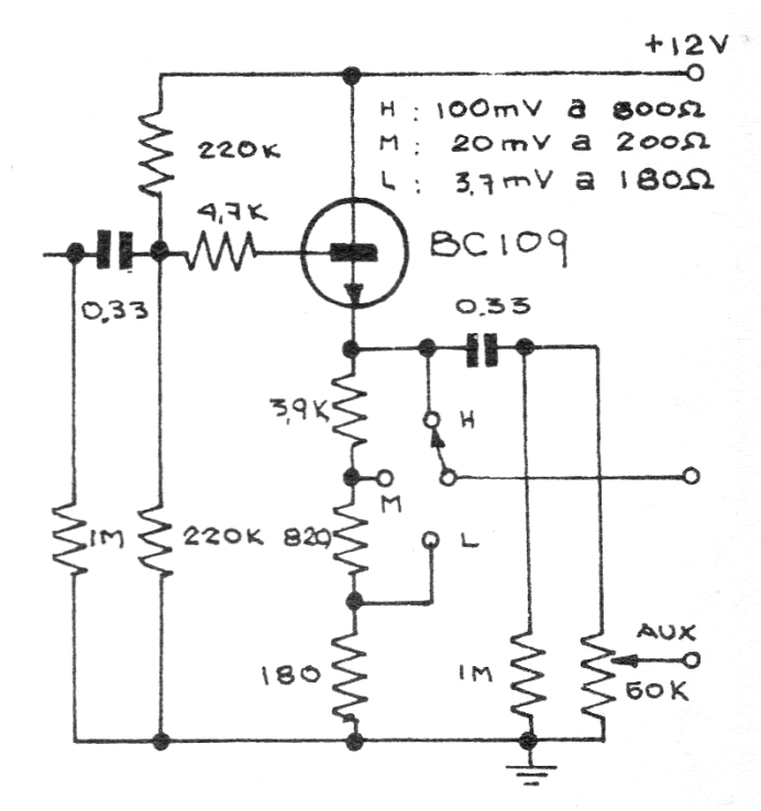
Este amplificador separador fue encontrado en una publicación argentina de los años 1970. Se trata de un adaptador de impedancia que posee una elevada impedancia de entrada y tres impedancias de salida seleccionadas por una llave. El circuito tiene un consumo muy bajo y se puede montar con el BC549. Los cables de entrada y salida de señales deben ser blindados.




