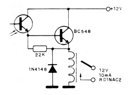
El circuito que mostramos fue obtenido de una publicación nuestra sobre relés y hace uso de cualquier foto-transistor como sensor. El relé debe tener una corriente de disparo de hasta 20 mA y la alimentación puede ser de 5 a 12 V según el relé utilizado. El diodo es de uso general y el resistor puede ser cambiado para un mejor rendimiento del circuito.




