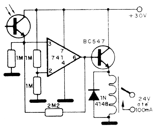
Este circuito tiene una acción de disparo muy rápida cuando incide en el sensor, un LDR común. El circuito no utiliza fuente simétrica y el relé debe ser de 30 V o 24 V con el cambio de tensión de la fuente. El foto-transistor puede ser de cualquier tipo y los amplificadores operacionales equivalentes pueden ser utilizados, incluyendo tipos de menor tensión.




