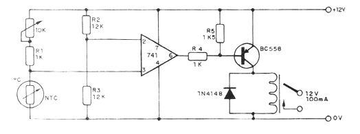
Este circuito hace que un relé cierre sus contactos cuando la temperatura sensorada por el NTC supera un valor pre-ajustado en P1. El relé puede ser de 6 V o 12 V según la tensión de alimentación. La corriente en la condición de reposo es muy baja. Otros amplificadores operativos e incluso el comparador de tensión LM339 puede utilizarse. La fuente de alimentación no necesita ser simétrica.




