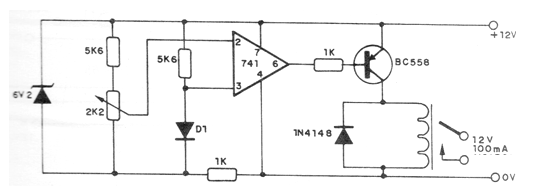
En este circuito, el sensor es un diodo de silicio común. El punto de disparo se ajusta en el trimpot. El circuito cierra los contactos de un relé cuando la temperatura sensorada por el diodo sobrepasa un valor ajustado. El relé puede ser cualquiera de la serie RL2, según la tensión de alimentación y en la condición de espera (relé abierto) el consumo es muy bajo. El circuito también se puede montar con comparadores LM339 o equivalentes.




