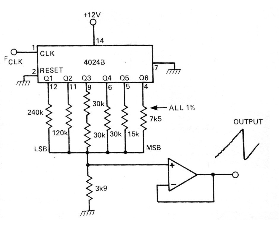
El circuito presentado genera una señal en escalera cuya frecuencia depende de la señal de entrada, siendo entonces dividida por 64, pues la escalera tiene 64 escalones. El circuito puede ser alimentado por tensiones de 5 a 15 V y la frecuencia máxima de entrada es de algunos megahertz. La precisión de la escalera depende de los componentes utilizados. El amplificador operacional puede ser el 741 u otro. En ese circuito opera como seguidor de tensión.




