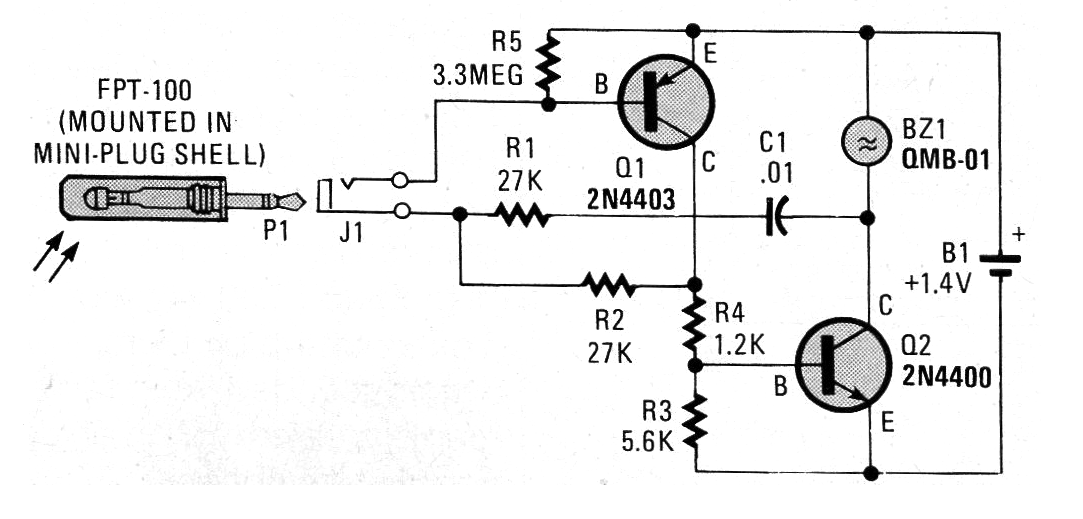
Este circuito se obtuvo en una Popular Electronics de 1991, pero todavía se puede montar con el uso de transistores BC558 para Q1 y BC548 para Q2. El sensor es un foto-transistor montado en un tubo con una abertura. El circuito detecta fuentes de luz produciendo un sonido en un transductor magnético. Se puede utilizar un transductor piezoeléctrico con la conexión de un resistor de 2k2 en paralelo. La alimentación se realiza por una o dos pilas pequeñas.




