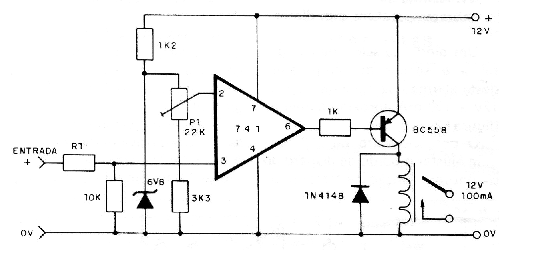
El circuito mostrado se dispara cuando la tensión cae a un valor por debajo del ajustado en el trimpot. Este valor depende del diodo zener que puede tener valores diferentes de lo indicado. La alimentación es de 12 V, pero el rango de tensiones de entrada puede ser diferente. Otros amplificadores operacionales e incluso comparadores como el LM339 se pueden utilizar en este circuito.




