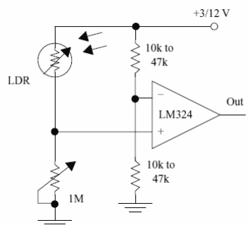
Este circuito se obtuvo de mi libro Mechatronics Sourcebook, publicado en los Estados Unidos. En él mostramos cómo usar un comparador o operacional en un relé de luz. El circuito proporciona una salida en el nivel alto cuando el LDR está iluminado. El circuito no necesita una fuente de alimentación simétrica y el potenciómetro ajusta el punto de disparo.




