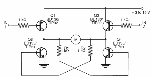
Este shield con retroalimentación para control de sentido de rotación motores DC hasta 500 mA con los BD135 / 6 y 3 A con los TIP31 / 2 fue obtenido en mi libro Robotics, Mechatronics and Artificial Intelligence, publicado en los Estados Unidos. Los niveles alto y bajo, bajo y alto en las entradas determinan la rotación de los motores. No se deben aplicar niveles altos simultáneamente en las entradas. Los motores de 3 a 15 V pueden ser controlados por este circuito. Los niveles de control en las entradas deben ser complementarios, es decir, 01 y 10.




