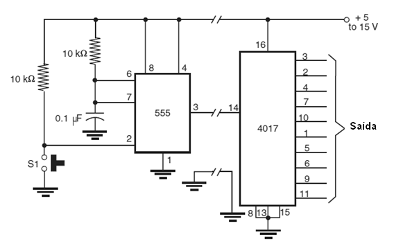
A cada toque en S1 una salida del 4017 se activa, esto en la secuencia 3, 2, 4, etc. Estas salidas pueden excitar etapas de potencia con relés o órdenes. El 555 funciona como monoestable, generando pulsos de duración constante. El circuito es de mi libreta Robotics, Mehcatronis y Artificial Intelligence, publicado en los Estados Unidos. El 4017 puede quedar en un circuito remoto controlado.




