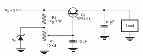
Este circuito puede controlar motores hasta 15 V con corrientes hasta 3 A, usando un diodo zener para fijar la tensión de alimentación. Se trata de un simple regulador lineal de tensión. El circuito es de mi libro Robotics, Mechatronics and Artificial Intelligence publicado en los Estados Unidos. El transistor debe montarse en un disipador de calor. El zener debe tener una tensión unos 3 a 4 V menor que la tensión de entrada y el valor máximo de la tensión que se aplicará al motor.




