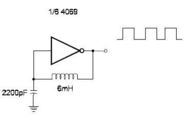
Este oscilador CMOS puede alcanzar frecuencias de algunos megahertz usando una red resonante LC. La alimentación puede oscilar entre 5 y 15 V y la frecuencia máxima alcanzada será mayor cuanto mayor sea la tensión de alimentación. La señal de salida es aproximadamente rectangular y sólo se utiliza uno de los variadores del 4069. El circuito es del libro CMOS Sourcebook de Newton C. Braga, publicado en los Estados Unidos.




