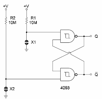
Este circuito consiste en un flip-flop o biestable accionado por el toque en dos sensores. X1 se enciende y X2 se apaga. El circuito utiliza dos de las cuatro puertas del 4093 y debe ser alimentado obligatoriamente por fuente aislada con transformador. La salida puede excitar etapas de potencia con relés u otros tipos de carga. El circuito es del libro CMOS Sourcebook de Newton C. Braga publicado en los Estados Unidos.




