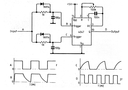
Este circuito fue obtenido en una revista inglesa del año 2000. Se trata de un doblador de frecuencia CMOS con control de ciclo activo el cual es programado por las constantes de tiempo de los circuitos RC de entrada. Las formas de onda se dan junto al diagrama para una alimentación de 5 V.




