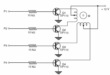
El control de motor de paso mostrado en la figura siguiente utiliza transistores Darlington, presentando así gran sensibilidad. Los transistores deben estar dotados de disipadores de calor y el motor de 12 V puede requerir corriente hasta 1 A. El circuito es del libro Robotics, Mechatronics and Artificial Intelligence, de Newton C. Braga, publicado en los Estados Unidos.




