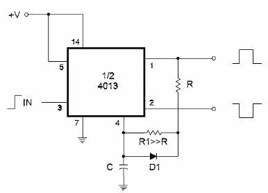
Una transición positiva en la entrada dispara este circuito que tiene sus salidas cambiando de estado por un tiempo dado por R y C. Después del intervalo dado por ese componente las salidas cambian nuevamente de estado. La alimentación puede ser de 5 a 15 V y el diodo es cualquiera de uso general como el 1N4148. El circuito es del libro CMOS Sourcebook de Newton C. Braga, publicado en los Estados Unidos.




