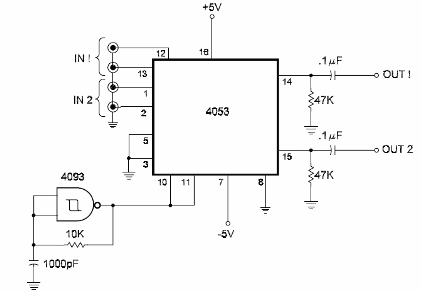
Este circuito es un mezclador CMOS estéreo de dos canales de entrada con dos entradas para cada canal. El circuito conmuta rápidamente los canales proporcionando una señal mezclada en la salida. El circuito es del libro CMOS Sourcebook de Newton C. Braga, publicado en los Estados Unidos.




