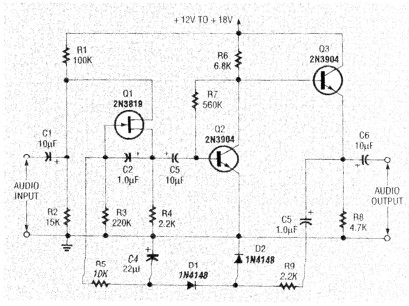
Este circuito se obtuvo en una revista estadounidense Electronics Now de abril de 1993. La revista ya no existe, pero el circuito se puede montar con cualquier JFET común como los BF245 y los bipolares BC548. Con este circuito tenemos un control automático de volumen o volumen constante para un paso amplificador.




