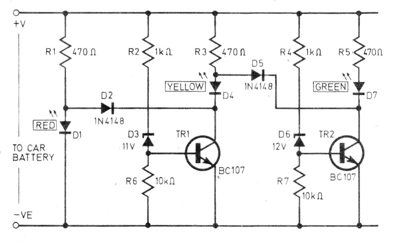
He encontrado este circuito en una revista de 1976, pero todavía se puede montar con facilidad, ya que todos los componentes son comunes. El circuito indica el estado de una batería, avisando cuando está descargada, normal o con sobrecarga. Los transistores pueden ser los BC548.




