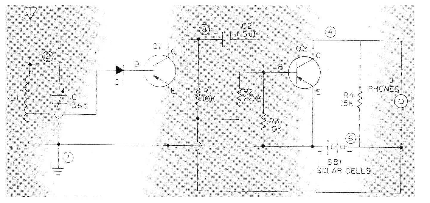
Este circuito fue encontrado en una Elementary Electronics de 1979. La revista americana ya no existe, pero el circuito puede ser implementado con células de calculadoras y otras de bajo costo. La bonina consta de 80 + 20 espiras de hilo 28 en un bastón de ferrita, D1 puede ser cualquier diodo de germanio y el circuito funcionará mejor con transistores antiguos de germanio de uso general, pero pueden ser experimentados PNPs de silicio como los BC558. R4 debe usarse si el auricular es de cristal o cerámico.




