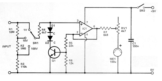
Este circuito fue publicado en una revista de 1981, pero puede ser montado con facilidad, utilizando un BC548 para Q1 y diodos 1N4148. El circuito tiene una resistencia de entrada de 10 M. Se puede utilizar un multímetro común de bajo costo en la salida para ampliar su sensibilidad. La alimentación se realiza con una batería de 9 V.

Voltímetro de Alta Impedancia



