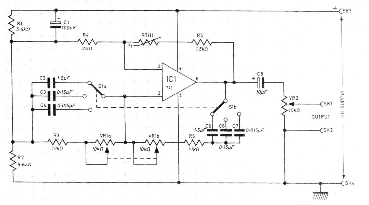
Este circuito salió en una revista inglesa de 1974, pero puede ser montado con facilidad aún hoy, pues los componentes usados son comunes. El circuito genera señales senoidales en tres bandas de frecuencias y su alimentación se puede realizar a través de una batería de 9 V o de fuente, ya que el consumo es muy bajo.




