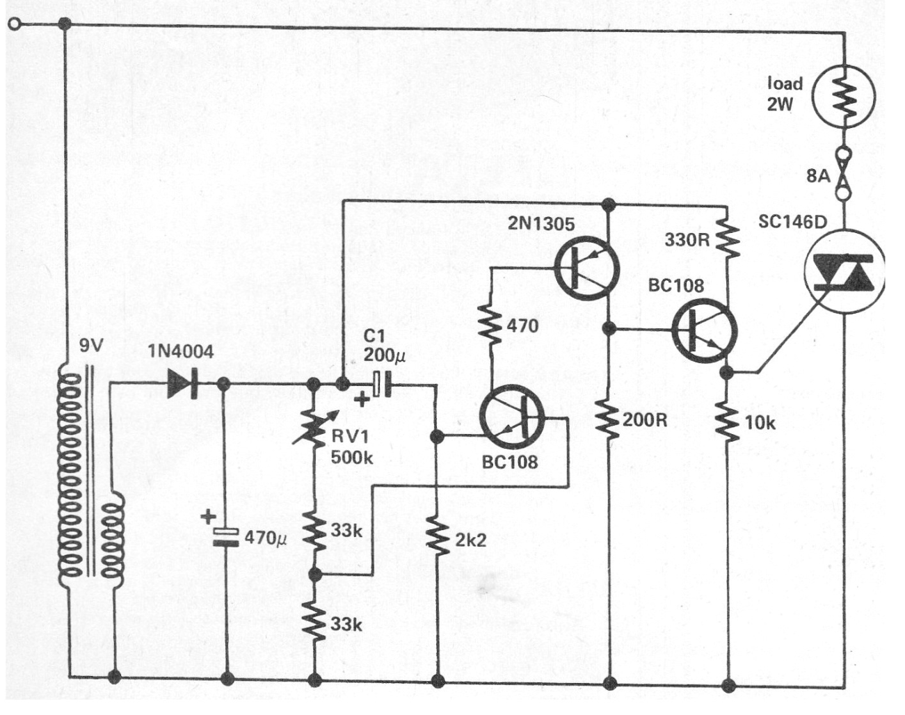
Este circuito fue publicado en una revista inglesa de 1977, pero se puede montar fácilmente porque todos los componentes son comunes. Los transistores pueden ser los BC547 o BC548 para los NPN y BC558 para el PNP. El triac puede ser cualquiera de la serie TIC y la lámpara debe ser obligatoriamente incandescente. El transformador tiene un secundario de 9 a 12 V con 200 a 500 mA. La carga indicada puede ser mucho mayor que 2 W, según el Triac usado.




