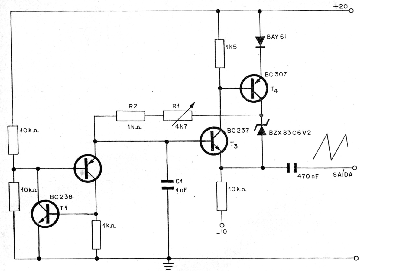
Este circuito es de una publicación de 1976, pero puede ser implementado aún hoy con los transistores BC548 y BC558. El circuito emula un oscilador del tipo unijuntura, pero usando bipolares. Su rango de frecuencia va de fracción de Hertz hasta algunos cientos de kilohertz. La alimentación puede variar entre 9 y 20 V típicamente. El uso de dos transistores permite obtener una forma de onda de sierra con subida lineal.




